Árukészlet elrejtése Áruválaszték
Kapcsolatok
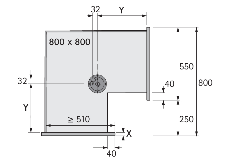
Vasalatok és kiegészítő anyagok Drót program Konyhai Sarokszekrény HETTICH 9080040 fordítható vasalat alsó szekrénybe harmonikaajtóval Revo 90°

HETTICH 9080040 fordítható vasalat alsó szekrénybe harmonikaajtóval Revo 90°

Árukészlet kód 107543
Végkiárusítás
További információ
A termék árát a Démos24Plus portálra való bejelentkezés után tudhatja meg.
Vásárlás
Jel
Hettich
Termékcsoport kód
10600102
Egység (ME)
db
Kiszerelés
1 db
Csomagolás
1 db
Leírás és paraméterek

Vasalat alsó sarok szekrényekhez harmonika ajtóval. Korpusz méret 800x800 mm és 900x900mm. Beépített Silent System csillapítás. ClickFixx gyors szerelő rendszerrel. A polcokat külön kell megrendelni.

Szállítási határidő: 8-21 nap.

Paraméterek

Paraméter Érték
Sarokszekrény típusa Forgatható
Szín Ezüst