Árukészlet elrejtése Áruválaszték
Kapcsolatok

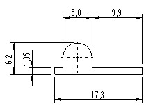
StrongLine alu profil 1030W alsó 1,2m

Árukészlet kód 92107
Raktári
További információ
A termék árát a Démos24Plus portálra való bejelentkezés után tudhatja meg.
Vásárlás
Jel
Strong
Termékcsoport kód
10500201020112
Egység (ME)
db
Kiszerelés
1 db
Csomagolás
10 db

Kapcsolódó árukészlet

Megnevezés Cikkszám Elérhetőség Kiszerelés/
csomagolás
StrongLine tolóajtó vasalat 1030 2 ajtó StrongLine tolóajtó vasalat 1030 2 ajtó 92113
Raktári
1 klt / 1 klt
StrongLine alu profil 1030 felső 1,2m StrongLine alu profil 1030 felső 1,2m 92115
Raktári
További információ
1 db / 10 db
StrongLine tolóajtó vasalat 1030 3 ajtó StrongLine tolóajtó vasalat 1030 3 ajtó 92114
Raktári
1 klt / 1 klt
Cikkszám
92113
több kevesebb
Cikkszám
92115
több kevesebb
Cikkszám
92114
több kevesebb