Árukészlet elrejtése Áruválaszték
Kapcsolatok

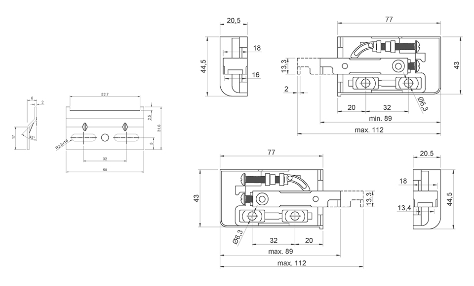
STRONG állítható vasalat fém, fehér takarósapkákkal

Árukészlet kód 404459
Raktári
További információ
A termék árát a Démos24Plus portálra való bejelentkezés után tudhatja meg.
Vásárlás
Jel
Strong
Termékcsoport kód
1010010201
Egység (ME)
klt
Kiszerelés
1 klt
Csomagolás
100 klt
Leírás és paraméterek

Helyreállító szerelvény fehér műanyag kupakkal, teherbírás 150 kg/pár. A készlet tartalmazza: - Pár fém függeszték - pár fehér műanyag sapka - 2 db horganyzott akasztólap 70x42x6mm - vastagság 2mm - 4db euro csavar - 4db tipli 10mm-es lyukhoz Magasságállítás 10mm, mélységállítás 20mm Egyes daraboknál a csatlakozó dübel elfordulhat a csatlakozó eurocsavarok becsavarásakor. Célszerű megfontolni a dübelek nélküli beépítést, kizárólag az 5 mm átmérőjű előre fúrt lyukakba helyezett eurocsavarok használatával. A terhelhetőség ezzel a beépítési módszerrel max. 80 kg/pár. Egy másik lehetőség, hogy a testben lévő lyukakat 9,5 mm átmérőjűre fúrja.

Kapcsolódó dokumentumok

Műszaki leírás

Paraméterek

Paraméter Érték
Beszerelés az anyagba Eurocsavar

Kapcsolódó árukészlet

Megnevezés Cikkszám Elérhetőség Kiszerelés/
csomagolás
SCILM rögzítő profil 2095mm SCILM rögzítő profil 2095mm 82780
Raktári
További információ
1 db / 50 db
Cikkszám
82780
több kevesebb