Árukészlet elrejtése Áruválaszték
Kapcsolatok
Vasalatok és kiegészítő anyagok Fióksínek Golyós Tompítás nélkül HETTICH 41392 KA 4620 400 mm golyós teljes kihuzású sín EB19 90 kg

HETTICH 41392 KA 4620 400 mm golyós teljes kihuzású sín EB19 90 kg

Árukészlet kód 104101
Rendelésre
A termék árát a Démos24Plus portálra való bejelentkezés után tudhatja meg.
Vásárlás
Jel
Hettich
Termékcsoport kód
10200301
Egység (ME)
klt
Kiszerelés
1 klt
Csomagolás
1 klt
Leírás és paraméterek

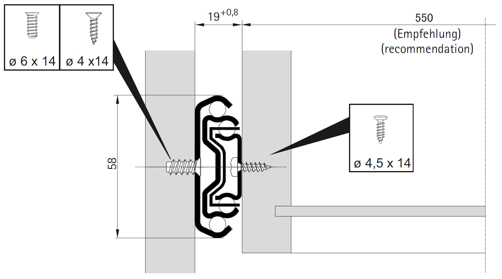
Golyós teljes kihúzású fióksín átnyúlással, fa fiókokba, szerelési szélesség 19 mm, Teherbírás 90 kg. Ütközővel és biztosítékkal a kiesés ellen. Kar segítségével a sínt széthúzhatjuk és így a fiókot egyszerűen kiemeljük a korpuszól.

Szállítási határidő: 8-21 nap.

Kapcsolódó dokumentumok

Szerelési útmutató

Paraméterek

Paraméter Érték
Hossz (mm) 400
Sín mozgása Csillapítás nélkül
Sín vezetésének módja Teljes kihúzású fióksín
Teherbírás (kg) 90